太陽電池とACアダプタで協調充電 実装済み基板CBLC-06-06 低価格版

実装済み基板CBLC-06-06 低価格版

2023年8月発売開始。

太陽電池とACアダプタで協調充電し、バッテリーなしでUSB充電します。

※実装済み基板です。

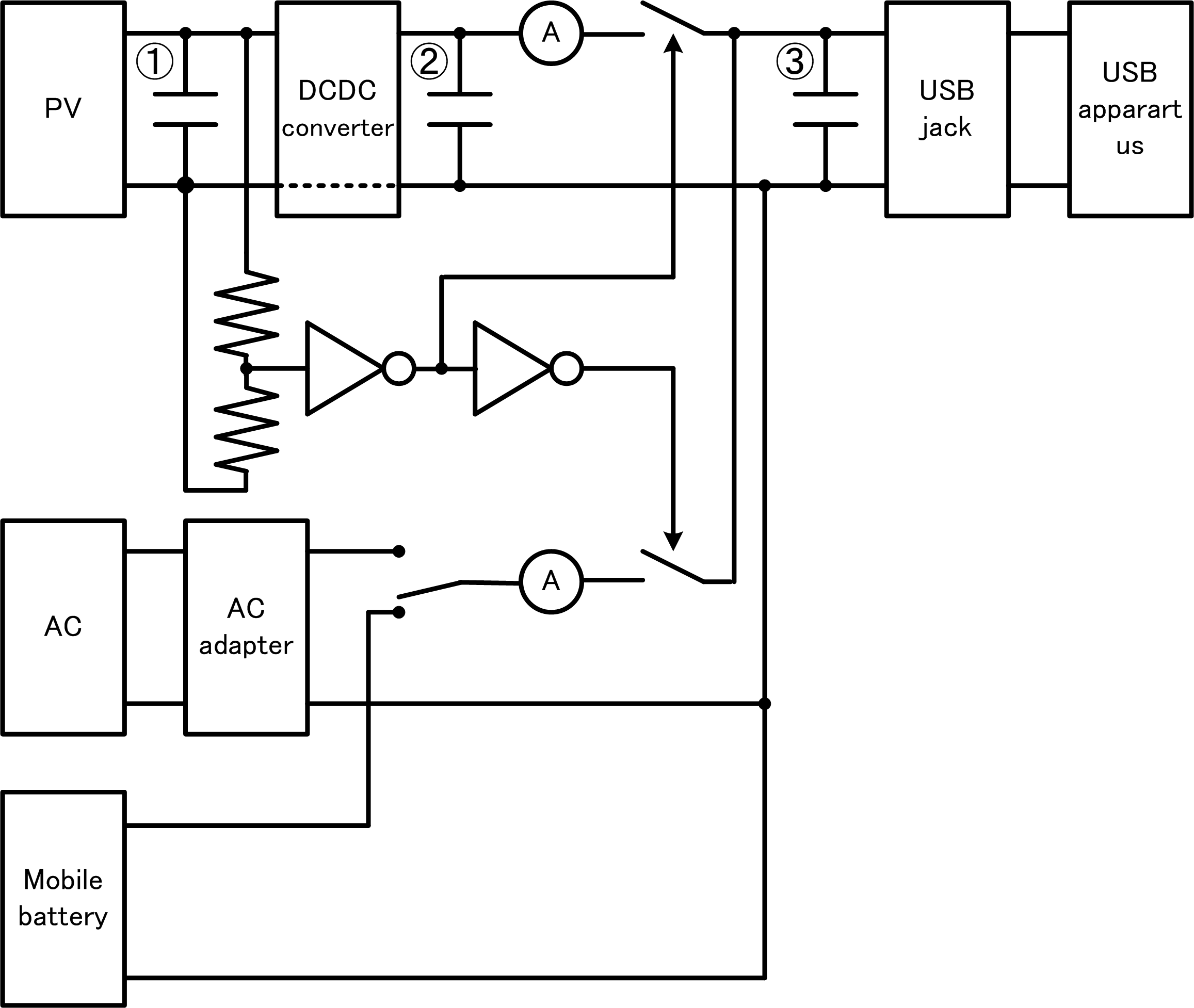
<協調充電技術>

協調充電とは、太陽電池からと、ACアダプタやモバイルバッテリーからとの電力を混ぜ合わせる技術で、フィードバック制御によるもので、その特徴は、太陽電池からの電力を優先的に使い、太陽電池からの電力で足りない部分のみACアダプタやモバイルバッテリーからの電力を使います。

<100%に近い時間電源を供給する工夫>

3か所からダイオード経由で電源供給し、電気二重層キャパシタに電気を蓄え、後段をnMOS+抵抗器+pMOSからなるインバータにすることにより、100%に近い時間電源を供給します。

12V batteryless charging system リターン

プリント基板サイズ:10cm x 10cm

配線銅箔厚:0.35um

動作最大入力電圧:40V

入力耐圧:40V

USB出力電圧:5V

最大USB出力電流:合計1.5A

USB出力ポート:USB-A 2基、USB-C 1基

この商品は、現在販売しておりません。

Chariot Lab. Shop跡地